ООО "КОНТАКТЭЛЕКТРО"
Главная/Разъединители РВ(з) 20 кВ.

Разъединители РВ(з) 20 кВ.

rvz-ii_20-630
РВз 20/630 II  УХЛ2

Разъединитель внутренней установки на напряжение 20 кВ. Заземляющие ножи со стороны подвижного контакта

  • Номинальное напряжение 20 кВ
  • Номинальный ток 630 А.
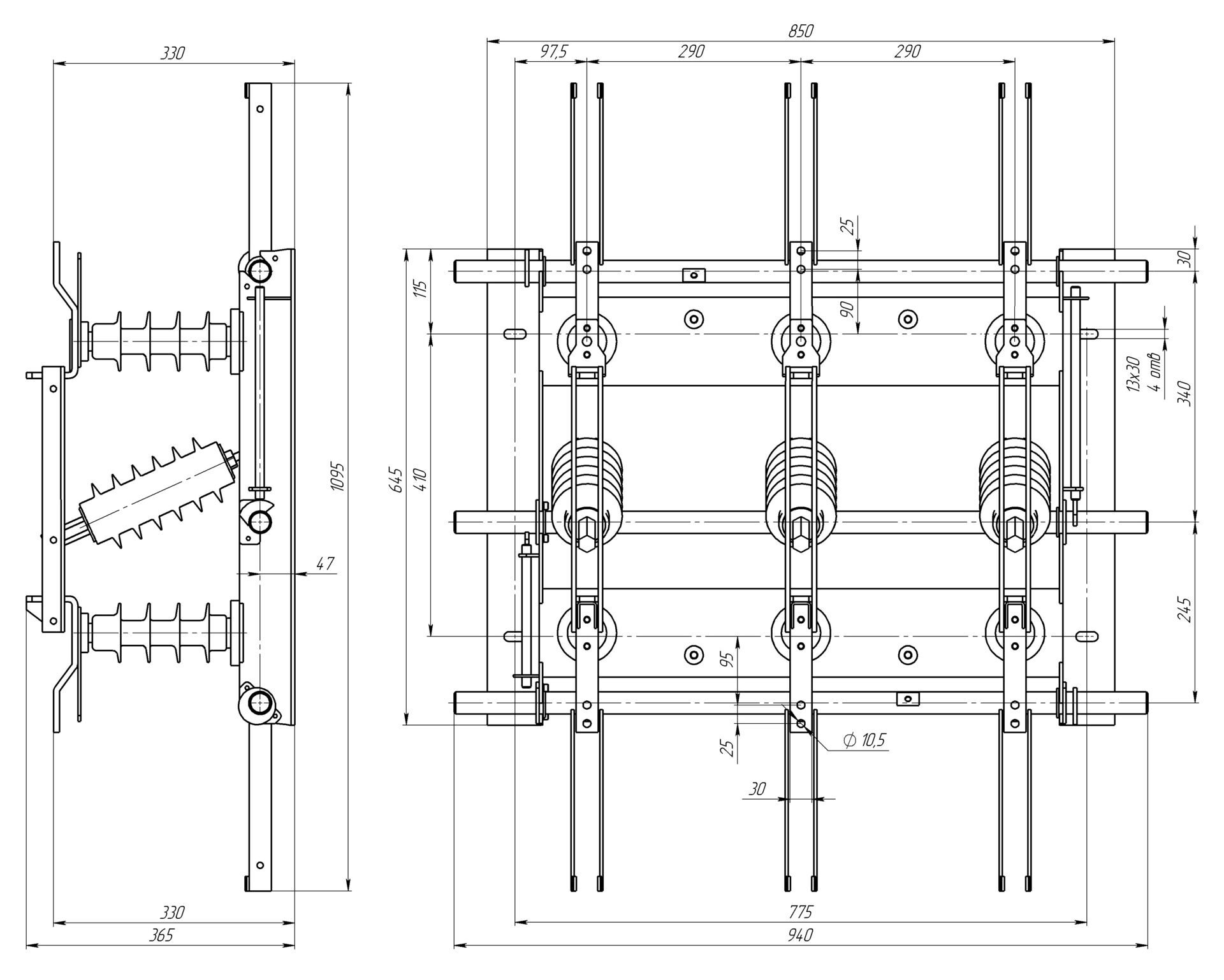
rvz-iii_20-630
РВз 20/630 III  УХЛ2

Разъединитель внутренней установки на напряжение 20 кВ. Заземляющие ножи с двух сторон.

  • Номинальное напряжение 20 кВ
  • Номинальный ток 630 А.
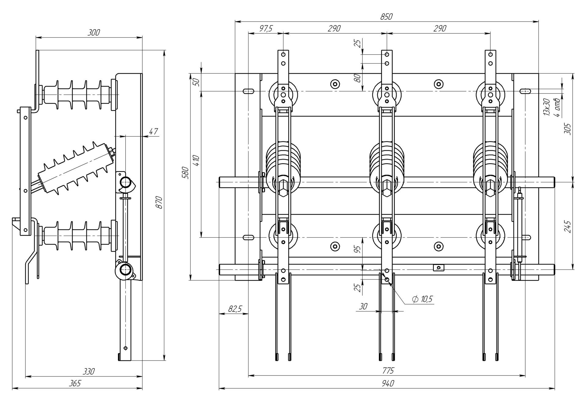
rvz-ii_20-1000
РВз 20/1000 II  УХЛ2

Разъединитель внутренней установки на напряжение 20 кВ. Заземляющие ножи со стороны подвижных контактов.

  • Номинальное напряжение 20 кВ
  • Номинальный ток 1000 А.
Контактная информация
Волгоградская обл, г.Волжский, ул., Автодорога 7-42а
это поле обязательно для заполнения
Телефон:*
Спасибо! Форма отправлена
Rambler's Top100 РИА РБК
Заказать продукцию
это поле обязательно для заполнения
Строка ввода:*
это поле обязательно для заполнения
Телефон:*
это поле обязательно для заполнения
E-mail:*
Скрытое поле:
Спасибо! Форма отправлена